- Home
- Current Sensors
- Programmable Current Sensors
- ISB-A-802 Series
ISB-A-802 Series
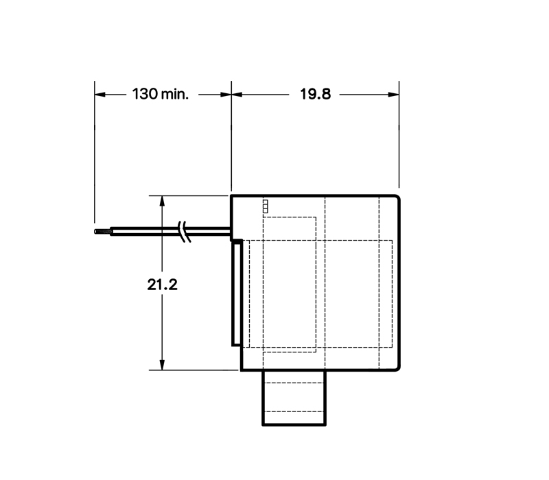
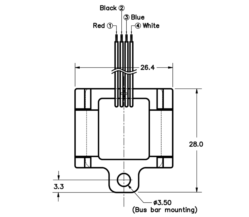
Programmable Current Sensor- Higher Creepage
- Faster Response Time
- Small Size
- Easy Busbar Mounting
- UL Rated Lead Wire Connection
- Factory Programmable
- Customizable Current Range
- Wideband DC to 200 kHz
- Analog Output
- DC/AC Converters
- DC/DC Converters
- Battery Management
- AC and DC Motor Drives
- Welding Applications
- Solar Applications

Part Number
Measurable Current Range
Output Slope
Accuracy
Linearity Error
Response Time
-
GENERAL DATA
Ambient Operating Temperature: -40 to +105 °C
Ambient Storage Temperature: -40 to +105°C
RMS Voltage for AC Insulation: 4.3 kV
Creepage Distance: >140 mm
Clearance Distance: > 140 mm
-
ABSOLUTE MAXIMUMS
Over-Voltage VDD Protection: +10 V
Reverse VDD Protection: -10 V
Output Voltage Max: +10 V
Output Current Max: +/- 70 mA
Reverse Output Voltage Max: -0.3 V
Reverse Output Current Max: -50 mA
NOTES
All specifications at 25°C.
Specifications dependent on mechanical attachment.
Specifications are % full scale.
Output slope is dependent on Vdd. Specifications above assumes 5Vdd.
Vref = 50%Vdd +/- 1%
We recommend mounting the sensors with non-magnetic screws for maximum accuracy. We recommend stainless steel, brass, bronze, copper or aluminum.
Specifications subject to change without prior notice.