- Home
- Current Sensors
- Programmable Current Sensors
- ISE-A-800 Series
ISE-A-800 Series
PCB Mount Current Sensors- Hall Effect Device Based
- Current Ratings up to 200A
- Factory Programmable Current Range
- Four Standard Current Ranges
- Wideband DC to 200 kHz
- Analog Output
- Fast Response Time
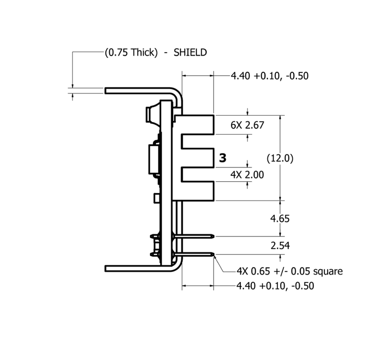
- 17 x 26 (mm) Footprint
- Single 5V Supply
- PCB Mounting
- DC/AC Converters
- DC/DC Converters
- Battery Management
- AC and DC Motor Drives
- Welding Applications
- Solar Applications

Part Number
Measurable Current Range
Output Slope
Accuracy
Linearity Error
Response Time
-
GENERAL DATA
Ambient Operating Temperature: -40 to +130 °C
Ambient Storage Temperature: -40 to +130 °C
Creepage Distance: 1.4 mm
Clearance Distance: 1.4 mm
-
ABSOLUTE MAXIMUMS
Over-Voltage Vdd Protection: +10 V
Output Voltage Max: +10 V
Output Current Max: +/- 70 mA
Reverse Output Voltage Max: -0.3 V
Reverse Output Current Max: -50 mA
NOTES:
All specifications at 25°C.
Specifications dependent on mechanical attachment.
Specifications are % full scale.
Output slope is dependent on Vdd.
Specifications above assumes 5 Vdd.
Specifications subject to change without prior notice.
ISE-A-800 Series Quote Request Form
ISE-A-800 Series Sample Request Form
ISE-A-800 Series Spice data request
Here is the Spice data file for ISE-A-800 Series Download
3D file download for ISE-A-800 Series
Here is the 3D file for ISE-A-800 Series Download